新闻动态

  • I/O板故障原因分析

    装置冰机故障停机,仪表人员检查发现安装在压缩机冷凝器的电源控制箱因振动大个别端子松动,仪表人员检查处理后冰机具备开车条件。

    2024-10-25 最专业体育游戏娱乐平台

  • 触点开关内部氧化压缩机联锁停机故障原因分析

    装置载气压缩机GB80现场急停按钮HS-178动作信号持续0.5秒,造成压缩机停机。急停按钮为常闭按钮,平时闭合,按下时断开。 经仪表人员检查发现,该型号按钮为封装式不可拆卸,破坏按钮外壳发现,内部触点 氧化,造成触点阻值变化,回路闪断停机;16:45更换按钮开关后启动载气压缩机并系统。

    2024-10-23 最专业体育游戏娱乐平台

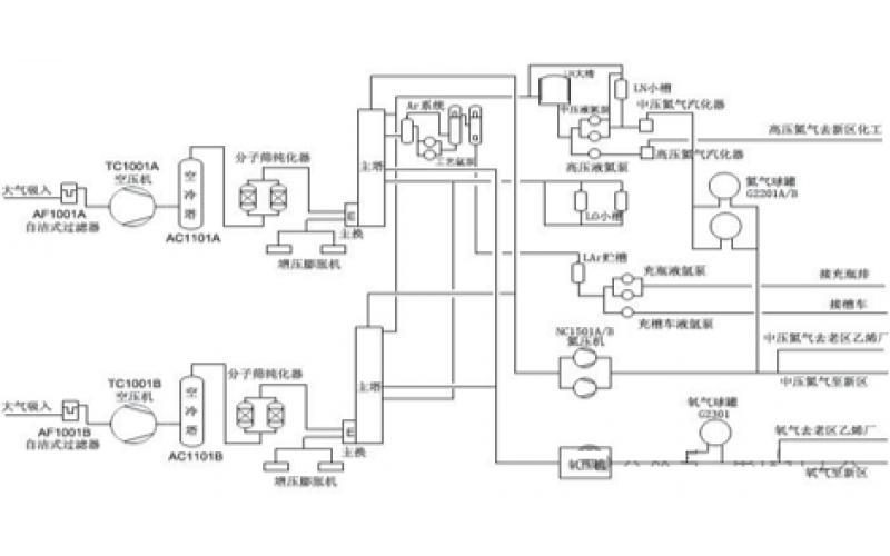
  • 双法兰差压液位计故障案例

    公用工程联合车间空分装置B套空冷塔液位LICS01-1B在1分钟内由1336mm降到1131mm,19:21:47液位开始慢慢下降,最低降至 661mm。

    2024-10-23 最专业体育游戏娱乐平台

  • 焚烧炉液位开关故障停炉原因分析

    12月27日7:30尾气焚烧炉F-502因联锁自保停炉,经检为尾气蒸汽发生器液位开关LSLL43液位低联锁触发停炉。

    2024-10-23 最专业体育游戏娱乐平台

  • 电磁阀失修引起切断阀关闭故障原因分析

    装置脱丙烷塔再沸器催化顶循流量FIC21突然回零,对工艺生产造成波动。

    2024-10-21 最专业体育游戏娱乐平台

  • ​DCS系统卡件故障原因分析

    车间净酸性气燃烧炉、尾气焚烧炉联锁动作,酸性气放火炬。6:43 内操岗位将酸性气燃烧炉联锁报警条件改旁路,点击联锁复位恢复联锁投用,燃烧炉和尾气焚烧炉正常状态,调整作 6:58 生产恢复正常。

    2024-10-21 最专业体育游戏娱乐平台

  • 控制系统机架通道故障停车

    时渣油四班内操发现K101电流由204A突然一分钟内下降至26A,K101四级出口压力和一系列系统压力缓慢下降。此时K101各级负荷显示“一级 51%,二级 56%,二级 61%.四级 63%”,未见异常,级间返回阀未见异常动作;K101机组电机正常运转,未见异常声音,现场电流20A,但压缩机机体不做功。

    2024-10-21 最专业体育游戏娱乐平台

  • 防爆仪表设备的知识总结

    仪表的防爆比电气防爆更容易疏忽,因为仪表太小,而且有些仪表是否是防爆的也不好判断,但是危险程度和电气是一样的。一般来说,仪表的防爆类型主要是本安型和隔爆型,安装在防爆区域的PLC控制柜大部分为隔爆型或者正压防爆型。

    2024-10-18 最专业体育游戏娱乐平台

首页
产品
新闻
联系